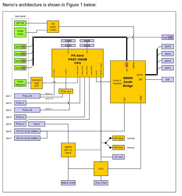
Where is the connector for USB2 (EHCI) on the Nemo board?
lsusb -t -v
Code: Select all
/: Bus 06.Port 1: Dev 1, Class=root_hub, Driver=ohci-pci/2p, 12M
ID 1d6b:0001 Linux Foundation 1.1 root hub
|__ Port 2: Dev 2, If 0, Class=Mass Storage, Driver=usb-storage, 12M
ID 03ee:6901 Mitsumi SmartDisk FDD
/: Bus 05.Port 1: Dev 1, Class=root_hub, Driver=ohci-pci/2p, 12M
ID 1d6b:0001 Linux Foundation 1.1 root hub
/: Bus 04.Port 1: Dev 1, Class=root_hub, Driver=ohci-pci/2p, 12M
ID 1d6b:0001 Linux Foundation 1.1 root hub
/: Bus 03.Port 1: Dev 1, Class=root_hub, Driver=ohci-pci/2p, 12M
ID 1d6b:0001 Linux Foundation 1.1 root hub
|__ Port 2: Dev 2, If 0, Class=Human Interface Device, Driver=usbhid, 1.5M
ID 046a:000c Cherry GmbH
/: Bus 02.Port 1: Dev 1, Class=root_hub, Driver=ehci-pci/10p, 480M
ID 1d6b:0002 Linux Foundation 2.0 root hub
/: Bus 01.Port 1: Dev 1, Class=root_hub, Driver=ohci-pci/2p, 12M
ID 1d6b:0001 Linux Foundation 1.1 root hub
|__ Port 1: Dev 2, If 0, Class=Human Interface Device, Driver=usbhid, 1.5M
ID 04d9:1503 Holtek Semiconductor, Inc. Keyboard
|__ Port 1: Dev 2, If 1, Class=Human Interface Device, Driver=usbhid, 1.5M
ID 04d9:1503 Holtek Semiconductor, Inc. Keyboard
Code: Select all
Bus 02.Port 1: Dev 1, Class=root_hub, Driver=ehci-pci/10p, 480M
ID 1d6b:0002 Linux Foundation 2.0 root hub
Code: Select all
[ 1.907060] ehci-pci 0000:05:13.5: EHCI Host Controller
[ 1.907526] ehci-pci 0000:05:13.5: new USB bus registered, assigned bus number 2
[ 1.908009] ehci-pci 0000:05:13.5: applying AMD SB600/SB700 USB freeze workaround
[ 1.908523] ehci-pci 0000:05:13.5: debug port 1
[ 1.926730] ehci-pci 0000:05:13.5: irq 12, io mem 0xa0209800
[ 1.949229] ehci-pci 0000:05:13.5: USB 2.0 started, EHCI 1.00
[ 2.005321] usb usb2: Product: EHCI Host Controller
[ 2.024460] usb usb2: Manufacturer: Linux 6.14.0-rc2-powerpc64-smp ehci_hcd
Thanks,
Christian

.

